Page 5, Audio Amplifiers.
 
Amplifiers
 
     

Electronics Home
Page 5
▼▼▼
 

New Audio Amplifiers
 

Digital Circuits for 90V Amplifier

The numbers inside the gates are the chip numbers that I used, as indicated in the sketch for the board. Since I did a lot of modifying, some of the chips aren't located ideally, and they could be reevaluated, particularly since a few gates might be omitted for some things.
 
Below is the gating for the preamps. The gates look for a high signal in the first four gains. If a high is present, the preamp switch stays closed; and only when all four are low does the preamp open.   (Figure)


 
General Scheme   (Figure)


A clock allows gain positions to move with one push of the button. It does get used. Microprocessor control wasn't needed. The clock oscillator frequency adjusts from 12 to 35khz. It is then divided by a factor of 4096 in the 4040.

The oscillator was moved to the power supply board, so the trimmer would be accessible. Its negative voltage is connected to the gates preventing it from functioning except while switching and thereby keeping the oscillator noise out of the rest of the circuitry.

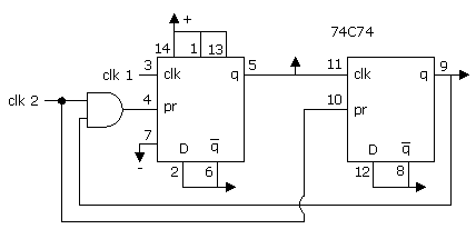
The gating has some tricky requirements, because some gates have to be activated before the signal goes through. The signal was therefore delayed with a flip flop (chip 20). The delay circuitry is shown below. The NOR gate going into it is a leftover gate functioning as an inverter.

The 5 pin of the 4029 prevents further counting when it is high. It rests high; and only when a count is being added does it go low. One of its functions here is to prevent the counts from going beyond the desired end points. The end point signals come out of the decoders as lows, when the highest or lowest gain positions are reached. With a rotary switch being used as a gain limiter, the upper signal comes from the center pin of it. But it would normally be omitted; and the upper signal would come from the 9 pin of the decoder, when eight gain positions are used. The upper and lower end point signals go into different NOR gates, because one is reactivated by an up signal, and the other by a down signal, coming from the switches.

The reset mechanism jams in a predetermined count, as shown later. The transistor circuit attached to it forces the reset during turn on.

Gating the clock is tricky, because it could make a count in one half of a time unit. To prevent that, it should not make a count in its first change of state. The first count is forced by the switch, when the 9 pin of the delay comes down.
 
Here is the delay mechanism:   (Figure)


This delay mechanism requires a clock which sets the delay at one pulse plus a little additional time which occurs betwen the start and the first up motion by it. If the oscillator is omitted, the delay could be produced by running the signal through several gates. About six inverters would probably be the best method. Four might suffice; but it would be risky.
 
A simplified form of the gating is shown below. This circuit has not been tested as such; so one might leave a little extra space on the board for debugging. (Figure)


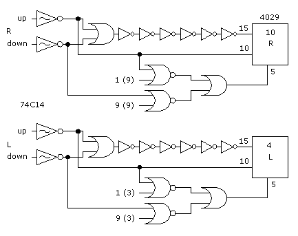
Here's a general delay mechanism:


The general delay mechanism can be used with any gates. The AND gates are not an essential part of it. The resistor and capacitor would substitute for the six inverters.
 
To use just one up and one down switch for both channels, omitt one counter and one decoder, and fan out from the remaining decoder. Here are the decoder pinouts:   (Figure)


The gain position that occurs upon reset is determined by a binary code on the jam inputs. The left side picks up the code from the right side. A quad pc switch was used for setting the code. The switch was located near the edge of the board for accessing, since there were two boards above it. When the switches are open, resistors to the negative voltage create low signals. For example, to reset the counters to the fourth gain position, the binary code for three is used (0011).

If reset is not used, the 1 pins of the 4029s are fixed low; and the four jam inputs are stabilized by connecting to either rail.
 
Here are the pinouts for the line selectors. When 74C901s are driving LEDs, their positive voltage is two diode levels (1.2V) below ground - that is, when the negative voltage is -7.4V. There is then not an excess of reverse voltage on the LEDS.   (Figure)


 
Here are the pinouts for gain switching. These are 4066 switches located on the amplifier board, not the digital board. The linked lines connect one capacitor to two resistors.   (Figure)


 
The Digital Board

The headers are machined pin DIP sockets or similar for both males and females. They have #30 kynar wires soldered into the top.   (Figure)


 
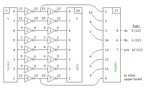
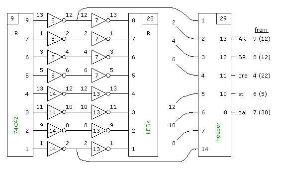
Below are header pinouts. Header #26 and #28 go to the bargraph LEDs. Headers #27 and #29 are for the control pins that operate the CMOS switches on the next board up.

Coming out of the decoders are inverters and inverting buffers for driving LEDs. Some of these pins have additional connections which are not shown. For example, the preamp gating takes off from the same points as headers #27 and #29.   (Figure)


 

#32 header,
gain limiter
pins                from
  1 - ¥4L - - - 4[3]
  2 - ¥5L - - - 5[3]
  3 - ¥6L - - - 6[3]
  4 - ¥7L - - - 7[3]
  5 - ¥8L - - - 9[3]
  7 - ce L - - 11[16]
  8 - ce R - -  5[16]
10 - ¥5R - - - 5[9]
11 - ¥6R - - - 6[9]
12 - ¥7R - - - 7[9]
13 - ¥8R - - - 9[9]
14 - ¥4R - - - 4[9]
  #31 header,
sw. & LEDs
pins                       from
  1 - AL LED - - - 1[18]
  2 - BL LED - - - 3[18]
  3 - St LED - - - 11[18]
  4 - AR LED - - - 5[18]
  5 - BR LED - - - 9[18]
  6 - 150W LR - -  res
  7 - 270W St - -  res
  8 - 2.2k sw - (-)7.4V
  9 - St sw - - -  5[25]
10 - ABR sw - - - 3[25]
11 - ABL sw - - - 1[25]
 
#30 header,
sw.etc
pins                            from
  1 - L up - - - - - - 5[24]
  2 - L down - - - -  9[24]
  3 - combo up - -  11[24]
  4 - combo down - 13[24]
  5 - bal & res + - - +7.4V
  6 - 150W bar gr. - - res
  7 - bal cent - - - - 4[13]
  8 - 2.2k sw - - - (-)7.4V
  9 - reset - - - - -  1[10]
10 - 270W bal - - - - res
11 - bal LED - - - -  5[13]
12 - bal LED - - - -  3[13]
13 - R down - - - -  3[13]
14 - R up - - - - - - 1[13]
 
¥ is gain position.
ce is center pole on rotary switch.

These are female headers attached to the board. Header #32 is for the gain limiter only. Both channels use the same rotary switch for gain limiting. The signals come directly off the decoders. So there is a fanout on those outputs which is not shown on the earlier chart. The signal comes back from the center of the rotary switch to pins 7 & 8 of the header.

Header #31 is for the left side of the front panel including the LEDs and the 3 pushbutton switches. Pin 6 comes from a 150W resistor to ground to supply current to both the left and right LEDs. Four of them have anodes linked; but only two are on at a time. Pin 7 is a separate resistor for the stereo, since it is not always on, and the current varies. Pin 8 connects to a 2.2K resistor from the negative supply to operate one side of the 3 switches. All 3 switches have one side linked together for that connection. The other side of those switches goes to 3 separate schmidt triggers for bounceless switching.

Header #30 is the 6 gain select switches and a few other things on the right side of the panel. Again, all 6 pushbuttons have one side linked for the 2.2K resistor to -V; and the other sides of the switches go to various schmidt trigger inputs. For the bargraphs, all 16 anodes are linked together; and they connect to the 150W resistor from ground through pin 6 of the header. Only 2 LEDs are on at a time. Two LEDs indicating balance position have anodes linked for connecting to the 270W resistor to ground through pin 10 of the header. Only one of those LEDs is on at a time. Their cathodes are controlled through pins 11 & 12, which connect to the outputs of two buffers. At pin 5 of the header is +7.4V for both the balance switch and reset switch which are linked on the panel. Pin 9 is the other side of the reset switch; and it links back to the 1 pin of the right counter. Pin 7 of the header connects to the center of the balance switch, as shown earlier. On the board it goes to several things including the 8 pin of header #29 for going to the upper board and controlling all four CMOS switches at the balance control. It also connects to pin 4 of buffer #13 for operating the balance LEDs. And it connects to a 47K resistor to -7.4V creating the low signal when the switch is down (toggle up), so a separate line didn't have to go up for the low signal. It was because all 14 pins of the header were used up that the 47K resistor was used. Otherwise a 16 pin header would have to be used.
 
Board for 90V Amplifier

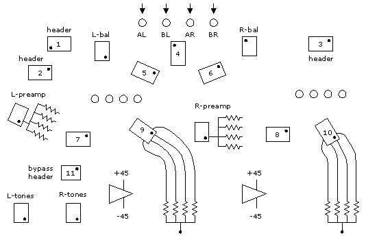
The dimensions of the amplifier board are 5.25" x 9.5". It must be on printed circuit board, not perf board, atleast if it is to be gotten in that amount of space. The unlabeled chips (4,5,6,7,8,9 & 10) are 4066 switches. The round things are capacitors. The resistors near the edge of the board go to the volume controls. (see "Switching for 90V Amplifier) The op amps use ±8V, or one diode level above the CMOS, because their outputs waste about 1/2V or more on each rail. So their output voltages are within CMOS levels. There are several kynar wires, #30, on top of the board for long jumps.   (Figure)

 


Voltage Header and CMOS Control Headers

#1 header
pins
1 -   +8V
2 -   -8V
3 -   +7.4V
4 -   -7.4V
5 -   -45V
6 -   +6.8V diodes
7 -   -6.8V diodes
8 -   +45V

#2 female header
pins    to (this board)
1 - 6[5]preamp
3 - 5[9]¥3
4 - 6[9]¥2
5 - 5[4]B in
6 - 13[4]A in
8 - 12[7]¥6
9 - 13[7]¥7
10 - 6[7]¥5
11 - 5[7]¥8
12 - 12[9]¥1
13 - 13[9]¥4
   
#2 male header
pins    from (lower board)
1 - 7[27]
3 - 12[27]
4 - 11[27]
5 - 6[27]
6 - 5[27]
8 - 3[27]
9 - 2[27]
10 - 14[27]
11 - 1[27]
12 - 4[27]
13 - 13[27]


90V amplifier Board, CMOS Control Headers

#3 female header
pins   to (this board)
1 - 6[10]¥3
2 - 6[4]BR in
3 - 12[4]AR in
4 - 5[8]¥8
5 - 6[8]¥5
6 - 6[6]st
8 - 12[6]preamp
9 - 13[6]4 bal
10 - 12[8]¥6
11 - 13[8]¥7
12 - 13[10]¥1
13 - 12[10]¥4
14 - 5[10]¥2
   
#3 male header
pins   from (lower board)
1 - 6[29]
2 - 12[29]
3 - 13[29]
4 - 1[29]
5 - 4[29]
6 - 10[29]
8 - 11[29]
9 - 8[29]
10 - 3[29]
11 - 2[29]
12 - 14[29]
13 - 5[29]
14 - 7[29]
 
¥ means gain position.

page six  |   page one  |   contents

 
    1        2        3        4        6        7    
 

Electronics Home Page TOP     

     

 

  Contents

     Page 1

     Page 2

     Page 3

     Page 4

     Page 5

     Page 6

     Page 7